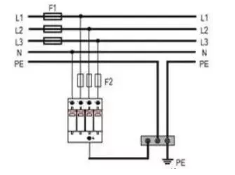
eps應急電源箱系統圖及電源箱知識
文章出處:本站 人氣:2938發表時間:2021-03-16 07:07:06



同類文章排行
- 直流屏常見故障解決方法
- eps應急電源箱系統圖及電源箱知識
- EPS應急電源常見故障及檢修注意事項
- 蓄電池巡檢標準及鉛酸電池安全防護注意事項
- 2021直流屏容量詳細計算方法
- EPS電源柜是否可以用來保護空調?eps電源柜的作
- 一體化電源系統小故障詳解
- 延長UPS電源使用壽命方法大全
- 直流屏安裝及調試作業
- UPS不間斷電源常見故障及詳細排除方法